Аппараты емкостные стальные цилиндрические типа 1, 2, 3
от 50 до 500
-40 до +300 ℃
ООО "НПО "Спецнефтемаш"
Типы емкостных аппаратов в наличии:
Аппарат емкостной стальной цилиндрический – это емкость, применяемая в различных отраслях промышленности в которой хранятся жидкости и газы.
Комплектация
Емкостные аппараты производятся в виде горизонтального или вертикального газгольдера.
Резервуар включает в себя штуцеры для контрольно-измерительной техники и дополнительно оборудуется люками для обслуживания и очистки внутренней поверхности сосуда.
Кроме того, емкостный цилиндрический аппарат может быть оборудован теплообменным устройством внутри или снаружи в соответствии с АТК 24.218.07.
Процесс производства емкостных аппаратов происходит по следующей схеме:
- из листовой стали формируется цилиндр;
- несколько цилиндров состыковываются между собой, завариваются швы;
- привариваются днища;
- устанавливаются штуцеры и люки.
Сварочные работы должны производиться при отсутствии атмосферных помех – без ветра, осадков и при положительной температуре.
Рабочая среда
- Пропан-бутановая смесь;
- Бутан;
- Пропан.
Область применения
Область применения цилиндрических емкостных аппаратов довольно широка. Их использование в технологических процессах, обслуживающих жидкие и газовые фазы, незаменимо. Поскольку аппараты емкостные цилиндрические для газовых и жидких сред используются в основном для хранения, то любое предприятие, применяющее в больших объемах химические реагенты, топливо, растворители может заказать или купить установку.
Основные виды производства, использующие емкости для сжиженных углеводородных газов (СУГ) и жидкостей:
- нефтепереработка;
- нефтехимия;
- химическое производство;
- нефтегазовое производство;
- газовое производство;
Основные объекты, использующие цилиндрические емкости:
- Станция газовой заправки автомобилей включает сосуд для газообразных сред, насос, запорную арматуру и колонку.
- Газонаполнительный пункт (станция) включает несколько емкостных цилиндров, насос или компрессор и отдел по заполнению бытовых баллонов.
- Система автономного снабжения газовым топливом включает в себя аппарат емкостной стальной сварной, испаритель и запорную арматуру, оборудование, регулирующее давление газа.
Также емкости для жидких сред применяются физическими лицами для отопительных систем. Обычно это резервуар до 5 м3.
Технические требования к эксплуатации
- Общие требования:
- объем до 200 м3;
- рабочее давление от 0,8 Мпа до 1,6 Мпа;
- температура газовой и жидкой среды от -60 градусов Цельсия до +300 градусов Цельсия;
- плотность хранящейся жидкости не превышает 1600 кг/м3;
- температура хранящейся жидкости не более 100 градусов Цельсия при рабочем давлении;
- температура газа не превышает температуру при рабочем давлении;
- сейсмичность района использования цилиндрической емкости не более 9 баллов;
- вредность хранящихся веществ не выше второго класса опасности.
Требования к сейсмичности площадки строительства
Благодаря передовым технологиям производства, резервуарное и емкостное оборудование ООО НПО "Спецнефтемаш" способно выдерживать сейсмические воздействия вплоть до 9 баллов по шкале MSK-64. Проведенные в сентябре 2017 года испытания подтвердили это на практике, в результате чего был получен Сертификат Соответствия требованиям нормативных документов ГОСТ 30546.1-98, ГОСТ 30546.2-98, ГОСТ 30546.3-98.
Таким образом, если вам необходимо качественное резервуарное или емкостное оборудование при строительстве объектов нефте-газовой промышленности в сейсмически активных районах, ООО НПО "СпецНефтеМаш" готов удовлетворить ваш спрос.
Изготовление емкостных аппаратов происходит в соответствии с требованиями ТУ 3615-001-24009276-2015.
Аппараты нельзя применять в случаях:
- использования как подземный резервуар;
- нефиксированной установки (например, для транспортировки);
- хранения СУГ на складе;
- использования с футеровкой, гуммированием или окраской другими покрытиями за исключением лакокрасочного.
Требования к газовым емкостям
При эксплуатации емкостей для газовых сред необходимо выполнять следующие условия:
- резервуар должен быть сконструирован так, чтобы содержимое вещество полностью высвобождалось;
- люки обслуживания необходимо делать не менее 40 см в диаметре;
- цистерна должна быть оборудована уровнеметром, манометром, предохранительным клапаном и термометром для контроля содержимого.
Климатическое исполнение
Изготовление аппаратов емкостных зависит от условий их будущей эксплуатации.
- В районе с умеренным и холодным климатом аппарат для газовых и жидких углеводородных сред изготавливается по категории 1 ГОСТ 15150 и обозначается как У или ХЛ.
- В районе с тропическим климатом резервуар изготавливается по категории 1 ГОСТ 15150 и обозначается как Т.
- Емкостные аппараты для нефтехимии категории 2 и 3 эксплуатируются в районах сильного ветра (I-V) и сейсмической активностью до 9 баллов в соответствии со СНиП 2.01.07-85 и СНиП 11-781.
Материальное исполнение
Если температура варьируется от -30 градусов Цельсия до +200, то аппарат для жидких сред производится из конструкционной низколегированной стали для сварных конструкций с категорией металлопроката 6 (09Г2С-6).
Если температура варьируется от -60 градусов Цельсия до +200, то аппараты емкостные стальные сварные производятся из конструкционной низколегированной стали для сварных конструкций с категорией металлопроката 8 (09Г2С-8).
Также аппарат емкостной стальной сварной может быть изготовлен из нержавеющей стали (12Х18Н10Т или AISI 316),поскольку она меньше подвержена коррозии.
Основные типы
Существует три типа цилиндрических емкостей для жидких и газовых сред.
Аппарат типа 1 – это горизонтальный резервуар для жидкообразных сред, подлежащий эксплуатации в условном давлении от 0.8 Мпа до 2.5 Мпа. Объем резервуара составляет от 4 до 100 м3, а диаметр 120-240 см.
Аппарат типа 2 – это вертикальный резервуар для жидких сред, подлежащий эксплуатации в условном давлении от 0.8 Мпа до 2.5 Мпа. Объем резервуара составляет от 2 до 100 м3, а диаметр 100-300 см. Данный тип при высоте до 10 метров может быть установлен в районах с сейсмической активностью до 9 баллов по 12 бальной шкале. При высоте от 10 метров – производится расчет прочности.
Конструкции устанавливаются на опоры из металла или бетона с охватом угла 120° и шириной более седловой опоры.
Аппарат типа 3 – это вертикальная емкость для газовых сред, подлежащая эксплуатации в условном давлении от 1 Мпа до 2.5 Мпа. Его объем составляет от 2 до 25 м3, а диаметр 100-240 см.
Конструкция может быть установлена в районе с землетрясениями до 9 баллов, а при замене опорных стоек на цилиндрические, допускается использование при землетрясениях до 9 баллов.
Резервуар устанавливается на лапы или опоры-стойки.
Если требуется усовершенствование, то вносятся изменения в конструкцию: детали, сборочные единицы. На основе технической документации выбирается марка стали, которая может быть изменена в зависимости от условий эксплуатации.
Пример условного обозначения
Пример обозначения 1 типа: 6-1,6-2-И-1
Горизонтальный сосуд для жидкой среды, объемом 6м3, условным давлением 1.6 Мпа, выполнен из стали для сварных конструкций с категорией металлопроката 6 или 8, оборудованный теплоизоляцией и теплообменным устройством.
Пример обозначения 2 типа: 60-2,5-2-И-2
Вертикальная емкость для жидкого вещества объемом 60 м3, с условным давлением 2,5 Мпа, выполнена из стали для сварных конструкций с категорией металлопроката 6 или 8, оборудованная теплоизоляцией, но без подогрева.
Пример обозначения 3 типа: 15-1,5-2-И-2
Вертикальный сосуд для газа объемом 15 м3, с условным давлением 1,5 Мпа, выполнен из стали для сварных конструкций с категорией металлопроката 6 или 8, оборудованный теплоизоляцией, но без подогрева.
Разработка технической документации
При заказе на изготовление цилиндрической емкости для газовых и жидких сред в нашей компании, мы предоставим услугу по разработке технической документации на емкостные аппараты, рассчитаем цену, время поставки и реализации.
При продаже аппаратов цены устанавливаются в зависимости от комплектации и материала. Все оборудование проходит испытание на прочность, герметичность и другие рабочие характеристики, поэтому качество продукции находится на высоком уровне.
Информация для Заказчиков
Если вы решили купить аппараты емкостные стальные сварные в компании ООО "НПО "Спецнефтемаш", то свяжитесь с нами для получения более полной информации о том как:
- купить в Глушкове емкостные аппараты для газов и жидких сред;
- заказать оборудование высокого качества по необходимым характеристикам;
- узнать стоимость на остальную продукцию и комплектующие.
Телефоны компании расположены на сайте или можете написать нам на электронную почту marketing@snmash.ru
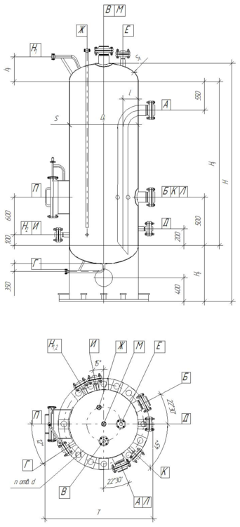
Типовые чертежи:
ТЕХНИЧЕСКИЕ ХАРАКТЕРИСТИКИ
-
Основные параметры и размеры Аппаратов типа 1
Марка аппарата Объем, м³ Условное давление, кгс/см² Двн Материальное исполнение 1 2, 3 Sk Sq S Sk Sq S Аппарат 1-4-1,6-
Аппарат 1-4-2,5-4 16
25200 10
1410
148
88
128
126
6Аппарат 1-8-1,0-
Аппарат 1-8-1,6-
Аппарат 1-8-2,5-8 10
16
251600 10
12
1610
12
168
6
68
10
148
10
146
8
8Аппарат 1-10-1,0-
Аппарат 1-10-1,6-
Аппарат 1-10-2,5-10 10
16
2510
12
1610
12
168
6
68
10
148
10
146
8
8Аппарат 1-16-1,0-
Аппарат 1-16-1,6-
Аппарат 1-16-2,5-16 10
16
252000 10
14
—10
14
—8
8
—8
12
168
12
166
6
6Аппарат 1-20-1,0-
Аппарат 1-20-1,6-
Аппарат 1-20-2,5-20 10
16
2510
14
—10
14
—>8
8
—8
12
168
12
166
6
6Аппарат 1-25-1,0-
Аппарат 1-25-1,6-
Аппарат 1-25-2,5-25 10
16
252400 12
16
—12
16
—8
8
—10
14
1810
14
186
6
10Аппарат 1-32-1,0-
Аппарат 1-32-1,6-
Аппарат 1-32-2,5-32 10
16
2512
16
—12
16
—8
8
—10
14
1810
14
186
6
10Аппарат 1-50-1,0-
Аппарат 1-50-1,6-
Аппарат 1-50-2,5-50 10
16
2512
16
—12
16
—8
8
—>10
14
1810
14
186
6
10Аппарат 1-80-0,8-
Аппарат 1-80-1,0-
Аппарат 1-80-1,6-
Аппарат 1-80-2,5-80 8
10
16
253000 12
14
18
—12
14
18
—8
14
10
—10
12
16
2214
14
16
2210
8
12
18Аппарат 1-100-0,8-
Аппарат 1-100-1,0-
Аппарат 1-100-1,6-
Аппарат 1-100-2,5-100 8
10
16
2512
14
18
—12
14
18
—8
14
10
—10
12
16
2214
14
16
2210
8
12
18Аппарат 1-200-1,0- 200 10 3400 14 16 12 12 16 8 -
Основные параметры и размеры Аппаратов типа 2 и 3
Марка аппарата Объем, м³ Условное давление, кгс/см² Двн Материальное исполнение 1 2, 3 Sk Sq Sk Sq Аппарат 2(3)-2-1,6-
Аппарат 1(3)-2-2,5->2 >16
25>1000 >10
12>10
12>8
10>8
10Аппарат 2(3)-4-1,6-
Аппарат 2(3)-4-2,5->4 >16
25>1200 >10
14>10
14>8
12>8
12Аппарат 2(3)-6,3-1,0-
Аппарат 2(3)-6,3-1,6-
Аппарат 2(3)-6,3-2,5->6,3 >10
16
25>1600 >10
12
16>10
12
16>8
10
14>8
10
14Аппарат 2(3)-8-1,0-
Аппарат 2(3)-8-1,6-
Аппарат 2(3)-8-2,5->8 >10
16
25> >10
12
16>10
12
16>8
10
14>8
10
14Аппарат 2(3)-10-1,0-
Аппарат 2(3)-10-1,6-
Аппарат 2(3)-10-2,5->10 >10
16
25> >10
12
16>10
12
16>8
10
14>8
10
14Аппарат 2(3)-16-0,8-
Аппарат 2(3)-16-1,0->16 >8
10>2000 >10
10>10
10>8
10>8
10Аппарат 2(3)-25-1,0-
Аппарат 2(3)-25-1,6->25 >10
16>2400 >12
16>12
16>10
14>10
14Аппарат 2(3)-32-1,0-
Аппарат 2(3)-32-1,6->32 >10
16> >12
16>12
16>10
14>10
14Аппарат 2(3)-50-0,8-
Аппарат 2(3)-50-1,0-
Аппарат 2(3)-50-1,6->50 >8
10
16> >10
12
—>10
12
—>10
12
14>10
12
14Аппарат 2(3)-80-0,8-
Аппарат 2(3)-80-1,0-
Аппарат 2(3)-80-1,6-
Аппарат 2(3)-80-2,5->80 >8
10
16
25>3000 >12
14
—
—>14
14
—
—>10
12
16
22>14
14
16
22Аппарат 2(3)-100-0,8-
Аппарат 2(3)-100-1,0-
Аппарат 2(3)-100-1,6-
Аппарат 2(3)-100-2,5->100 >8
10
16
25> >12
14
—
—>14
14
—
—>10
12
18
24>14
14
18
25 -
Габариты Аппаратов типа 1
Марка Аппарата L L1 L2 L3 h L H Аппарат 1-4-1,6-
Аппарат 1-4-2,5-3000 350 2000 500 822
8263705
37051990
2000Аппарат 1-8-1,0-
Аппарат 1-8-1,6-
Аппарат 1-8-2,5-3300 450 — 650 1022
1022
10224200
4210
—2390
2395
2400Аппарат 1-10-1,0-
Аппарат 1-10-1,6-
Аппарат 1-10-2,5-4400 600 3000 700 1022
1022
10265300 2390
2395
2400Аппарат 1-16-1,0-
Аппарат 1-16-1,6-
Аппарат 1-16-2,5-4200 700 — 600 1224
1228
12285305
5350
53502795
2800
2800Аппарат 1-20-1,0-
Аппарат 1-20-1,6-
Аппарат 1-20-2,5-5400 750 4300 550 1224
1228
12286500
6550
65502795
2800
2800Аппарат 1-25-1,0-
Аппарат 1-25-1,6-
Аппарат 1-25-2,5-4500 — 3000 750 1428
1432
14365845
5850
58603200
3205
3210Аппарат 1-32-1,0-
Аппарат 1-32-1,6-
Аппарат 1-32-2,5-6000 — 4500 1428
1432
14367345
7350
7360>3200
3205
3210Аппарат 1-50-1,0-
Аппарат 1-50-1,6-
Аппарат 1-50-2,5-9700 850 6700 1500 1428
1432
143611045
11050
110603200
3205
3210Аппарат 1-80-0,8-
Аппарат 1-80-1,0-
Аппарат 1-80-1,6-
Аппарат 1-80-2,5-9800 850 6000 1900 1730
1738
1738
175011450
11450
11455
115053800
3805
3825
3830Аппарат 1-100-0,8-
Аппарат 1-100-1,0-
Аппарат 1-100-1,6-
Аппарат 1-100-2,5-12300 — 8000 2150 1732
1740
1740
175011450
11450
11455
115053800
3805
3825
3830Аппарат 1-200-1,0- 19800 — 13000 3400 1941 21650 4215 -
Габариты Аппаратов типа 2 и 3
Марка аппарата Н1 Н2 Н Аппарат 2(3)-2-1,6-
Аппарат 1(3)-2-2,5->2200 >1075
1100>3560
3600Аппарат 2(3)-4-1,6-
Аппарат 2(3)-4-2,5->3000 >1100
1110>4450
4465Аппарат 2(3)-6,3-1,0-
Аппарат 2(3)-6,3-1,6-
Аппарат 2(3)-6,3-2,5->2500 >1105
1110
1125>4055
4060
4080Аппарат 2(3)-8-1,0-
Аппарат 2(3)-8-1,6-
Аппарат 2(3)-8-2,5->3300 >1105
1110
1125>4855
4860
4880Аппарат 2(3)-10-1,0-
Аппарат 2(3)-10-1,6-
Аппарат 2(3)-10-2,5->4400 >1105
1110
1125>5955
5960
5980Аппарат 2(3)-16-0,8-
Аппарат 2(3)-16-1,0->4200 >1525 >6275 Аппарат 2(3)-25-1,0-
Аппарат 2(3)-25-1,6->4500 >1555
1565>6725
6785Аппарат 2(3)-32-1,0-
Аппарат 2(3)-32-1,6->6000 >1555
1565>8225
8240Аппарат 2(3)-50-0,8-
Аппарат 2(3)-50-1,0-
Аппарат 2(3)-50-1,6->9700 >1535
1560
1565>11885
11935
11940Аппарат 2(3)-80-0,8-
Аппарат 2(3)-80-1,0-
Аппарат 2(3)-80-1,6-
Аппарат 2(3)-80-2,5->9800 >1570
1580
1585
1620>12205
12205
12210
12270Аппарат 2(3)-100-0,8-
Аппарат 2(3)-100-1,0-
Аппарат 2(3)-100-1,6-
Аппарат 2(3)-100-2,5->12300 >1580
1590
1595
1645>14705
14715
14725
14785 -
Таблица штуцеров для аппаратов типа 1 и 2
Обозначение Наименование Размеры в зависимости от объёма аппарата А Ввод продукта 20–350 Б Вывод продукта 20–350 В Вывод газа 20–350 Г Дренаж 20–350 Д Для пропарки 20–350 Е Для предохранительного клапана 50–150 Ж Для встроенного уровнемера по запросу И Резервный 20–350 К Для термометра по запросу Л Для термоэлектрического преобразователя по запросу М Для манометра М20х1,5 Н Для указателя уровня 20–50 П Люк-лаз 450 Ю1,2 Для камеры уровнемера 20–350 -
Таблица штуцеров для аппаратов типа 3
Обозначение Наименование Размеры в зависимости от объёма аппарата А Ввод продукта 20–350 Б Вывод продукта В Для предохранительного клапана 50–150 Г Дренаж 20–350 Д Для пропарки 20–350 Е Для термометра 20–350 Ж Для термоэлектрического преобразователя по запросу И Для манометра М20х1,5; Ду 50 К Для указателя уровня 20–50 Л Люк-лаз 450 -
Материальное исполнение аппаратов:
Наименование
Исполнение по материалам
1
2
3
Рабочая температура стенки, ºC
от -20 до +300
от -40 до +300
от -60 до +300
Марки стали, обозначение стандарта, технические требования
Листовая сталь
Ст3сп5, Ст3пс5, Ст3Гпс5
ГОСТ 380, ГОСТ 1463716ГС, 09Г2С, 10Г2С1 категорий 12 и 17
ГОСТ 552009Г2С-14, 09Г2С-17
ГОСТ 5520Поковки
Ст3сп ГОСТ 380,
Сталь 20 ГОСТ 1050,
Сталь 20К ГОСТ 5520,
группа IV ГОСТ 8479,
сталь 20 ТУ 14-1-1431,
ТУ 14-3-37516ГС, 09Г2С
ГОСТ 19281,
10Г2 ГОСТ 4543,
группа IV ГОСТ 8479,
10Г2 ТУ 14-3-37509Г2С ГОСТ 19281,
10Г2 ГОСТ 4543,
группа IV ГОСТ 8479,
10Г2 ТУ 14-3-375Патрубки, трубы
теплообменных устройствСталь 10, 20 ГОСТ 1050,
группы А, Б ГОСТ 550,
группы В ГОСТ 8731,
ГОСТ 873310Г2 ГОСТ 4543,
группы А, Б ГОСТ 550,
группы В ГОСТ 8731,
ГОСТ 873310Г2 ГОСТ 4543,
группы А, Б ГОСТ 550,
группы В ГОСТ 8731,
ГОСТ 8733Крепежные
деталишпильки
Сталь 25, 35 ГОСТ 1050,
Сталь 35Х ГОСТ 4543,
ОСТ 26-2043Сталь 35Х, 40Х
ГОСТ 4543,
ОСТ 26-2043Сталь 20ХН3А
ГОСТ 4543,
ОСТ 26-2043гайки
Сталь 20, 25, 35
ГОСТ 1050,
ОСТ 26-2043Сталь 25, 35
ГОСТ 1050,
ОСТ 26-2043Сталь 20ХН3А
ГОСТ 4543,
ОСТ 26-2043Прокладки
Паронит ГОСТ 481
Примечания
- Стали марок 16ГС-17, 09Г2С-17, 10Г2С1-17 применяются при толщине листового проката 12 мм и более.
- Для аппаратов с рабочей температурой стенки до 200ºС допускается применение листового проката из сталей более низкой категории.
- Конкретная марка паронита принимается в зависимости от рабочей среды.

